-
Products
Electromechanical Drop Bolts
An Electric Drop Bolt is a motor or solenoid actuated symmetrical dead-bolt mechanism, used for specific applications where Electric Strikes and Electromagnetic Locks cannot be used, such as double action 180-degree swing through or sliding doors. In many cases Electric Drop Bolts are used as additional or secondary locking device. The locking status and door status of the drop bolt can be remotely monitored.
Electromagnetic Door Holders
Door Hold Open Magnets are electromagnetic devices to hold fire and smoke doors in an open position. Door Hold Open Magnets can be wall or floor mounted and are connected to a smoke and/or fire alarm system. The device releases the door from the hold open position when fire/smoke alarm or manual release button is activated.
High Security Sensors
Specifically developed for high security applications in government and military installations, the FSS1 Series High Security Door Monitoring Sensor consists of seven magnetic sensors that are used to detect a unique magnetic footprint from an array of magnets on the magnetic face plate.
Electric Mortice Locks
The FEL990 Series Electric Mortice Lock is a true multi-functional locking device. It has been developed for simplicity - simplicity for the stockist, the installer, and the end user. Two options are available - either monitored or non-monitored.
Electromagnetic Locks
Electromagnetic Locks are locking devices that consist of an electromagnetic core (constructed of a laminated steel-core surrounded with hundreds of turns of copper wire) and an armature plate (carbon free steel plate). By attaching the electromagnet to the door frame and the armature plate to the door, a current passing through the electromagnet attracts the armature plate, holding the door locked.
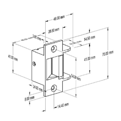
Electric Strikes
An Electric Strike is an access control device used to lock and release doors. Electric Strikes are installed in or on the door frame and work in conjunction with mechanical door locks, on the principle of electronically controlling the rotation of the keeper. This allows doors to be opened without manual retraction of the mechanical door lock.
Electric Cabinet Locks
The Electric Cabinet Lock is designed to fit into cabinets, drawers and lockers with hinged or sliding doors from either the front or side of the door. The locks protect unauthorised entry to cabinets. - Company
- Distribution Partners
- Document Centre


